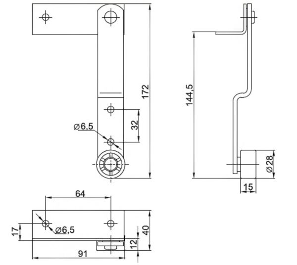
Купить Роликовые Опоры