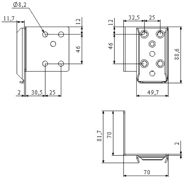
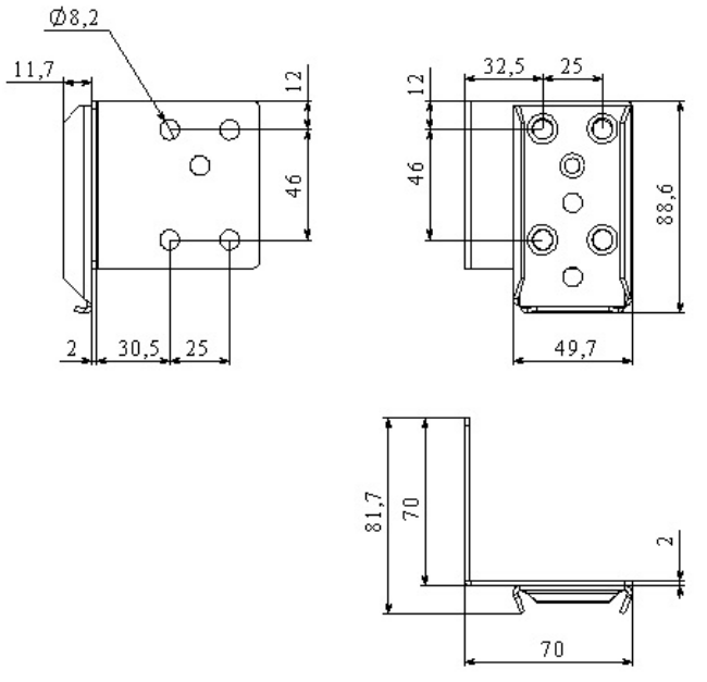
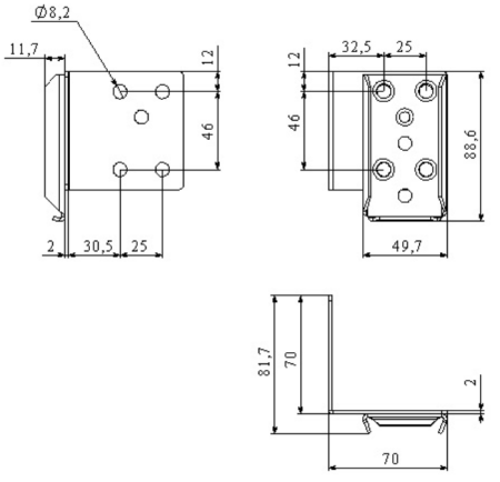
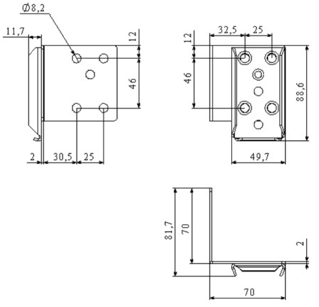
Уголок L325 к петле(комкор)