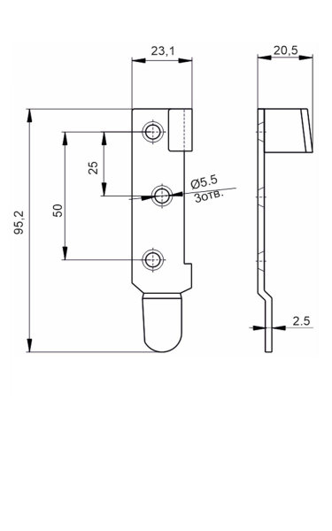
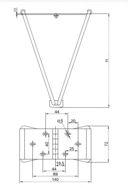
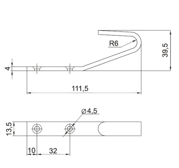
Каталог озмф