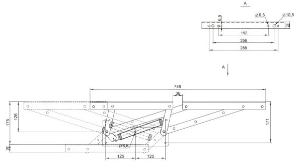
Каталог озмф