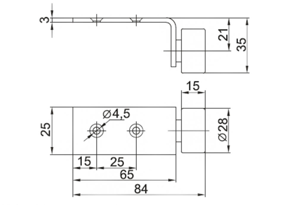
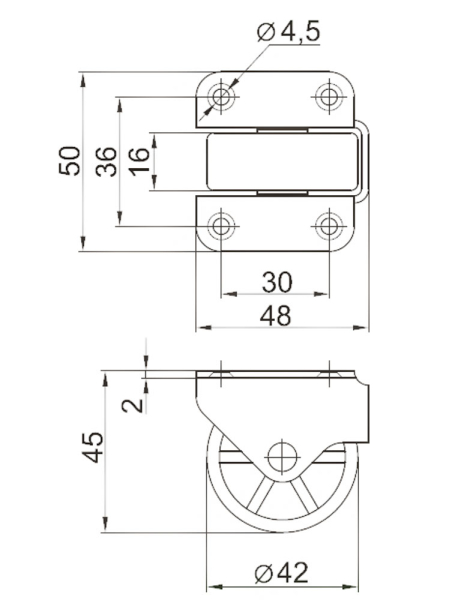
Каталог роликовые опоры