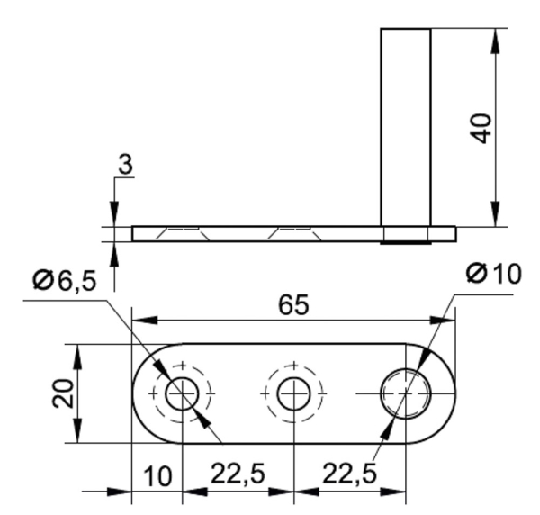
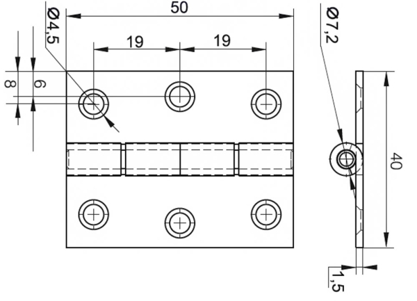
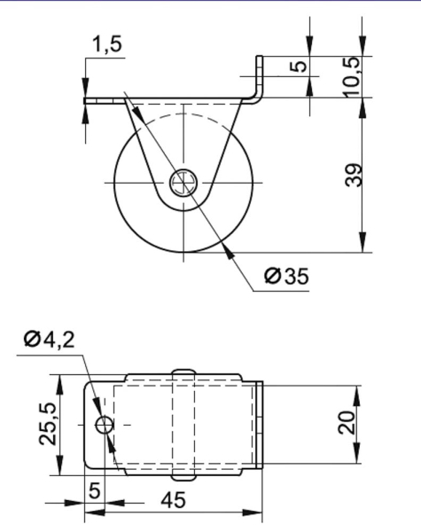
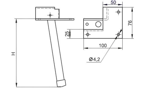
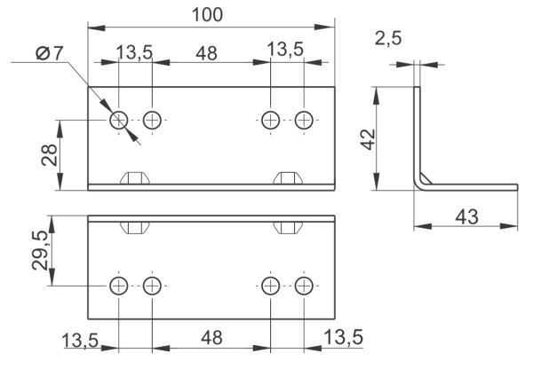
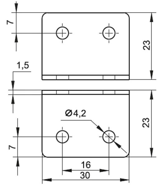
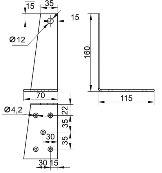
Каталог сис