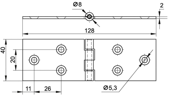
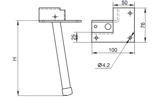
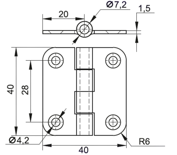
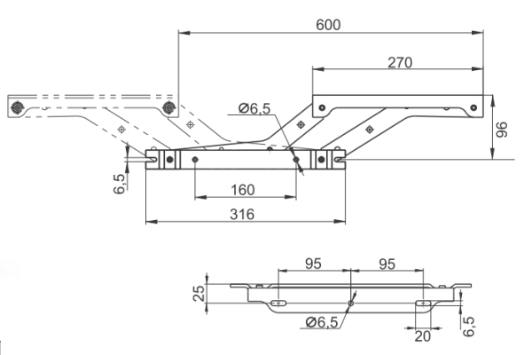
Каталог сис