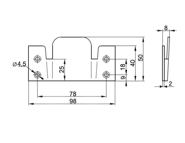
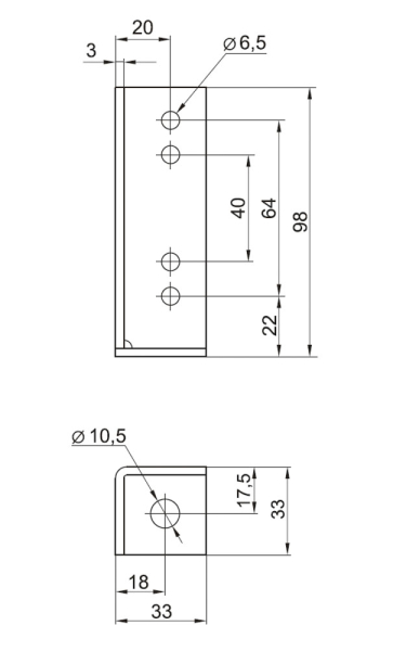
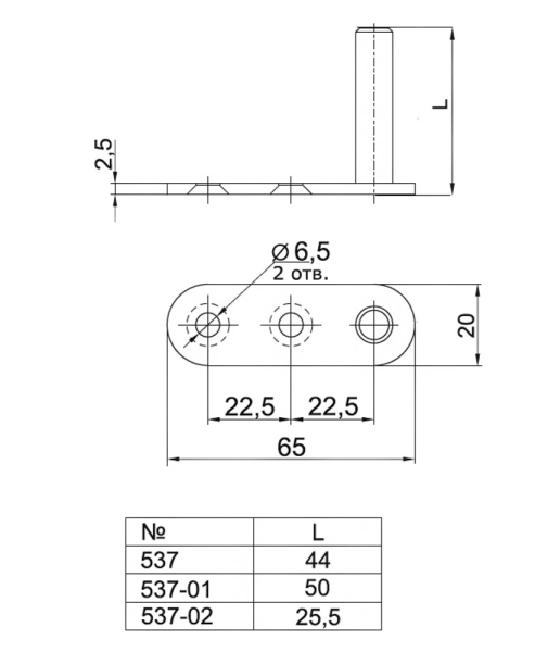
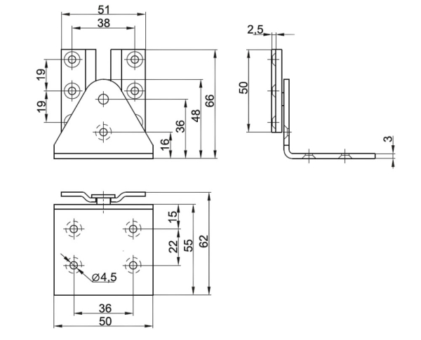
Каталог озмф